PRODUCTS
当前位置:首页 »

与SSCNETⅢ兼容、通用(脉冲和模拟输入)接口和CC-Link兼容(内置定位功能)。
262,144脉冲/转编码器,100/200/400VAC等级和50W至55kW的产品范围。
HF-KP/MP/SP/JP、HC-LP/RP/UP、HA-LP系列
4个马达系列(LM-H2/LM-U2/LM-F/LM-K2),可用于多种用途。
最适用于需要低速度、高转矩的应用。可提供4种不同的机架和12种马达。

速度频率响应2.0kHz,同类等级中的顶级性能。三菱伺服“MELSERVO-JE”以备受推崇的“先进的一键式调谐”功能,进一步完善其易用性。
HF-KN系列:小容量,低惯量
容量:100-750W
HF-SN系列:中容量,中惯量

与SSCNETⅢ/H兼容,通用(脉冲和模拟输入)接口。符合安全标准。2/3轴伺服放大器。
400万脉冲/转的编码器,200VAC等级和50W—7kW的产品范围。
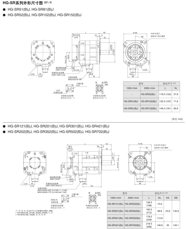
HG-KR/HG-MR/HG-SR系列。
4个马达系列(LM-H3/LM-U2/LM-F/LM-K2),可用于多种用途。
COPYRIGHT (C) 2016 锋桦传动设备(上海)有限公司 版权所有 ALL RIGHTS RESERVED 沪ICP备13044758号-4
联系电话:400-8040668 邮箱:fht@fht.tw 地 址:江苏省昆山市陆家镇星圃路98号